7053 - Propel: Why I unable to run debugger with Propel SDK on my RISC-V Project?

7053 - Propel: Why I unable to run debugger with Propel SDK on my RISC-V Project?

Description:
1. RISC-V reset vector is fixed at address 0x00000000, thus instruction memory must start at address 0x0.
2. RISC-V instruction port is a read only port. To run debugger with Propel SDK, the SoC design must support writes to the instruction memory via the data port. If there is no path from data port to instruction memory or the instruction memory is read only, the debugger will not work. 

Solution:
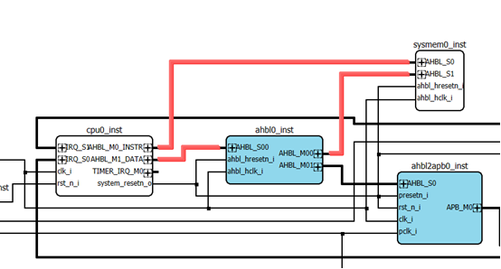
  • In the SoC design (Propel Builder), RISC-V data port must be connected to the 2nd port of instruction memory. 2 ports are required due to the RO and R/W attributes are not mutually inclusive.
  • Instruction port (read only) <- Instruction Memory S0 port
  • Data port (read/write) <-> Instruction Memory S1 port
  • This is to enable write to the instruction memory via the RISC-V data port, which is require for debugger.
  • Example connection:


3. There is a known issue if RISC-V instruction bus is connected through AHBL interconnect to multiple instruction/data memory, Propel SDK is unable to interpret the handoff of this use case and will generate a wrong linker file which result in failing to boot RISC-V. This limitation is scheduled to be fixed in later Propel release version.