6898 - CertusPro-NX / Propel version 2022.1: Will there be an available GPIO IP with an AXI interface similar to what is observed on the CPNX FreeRTOS template design?

6898 - CertusPro-NX / Propel version 2022.1: Will there be an available GPIO IP with an AXI interface similar to what is observed on the CPNX FreeRTOS template design?

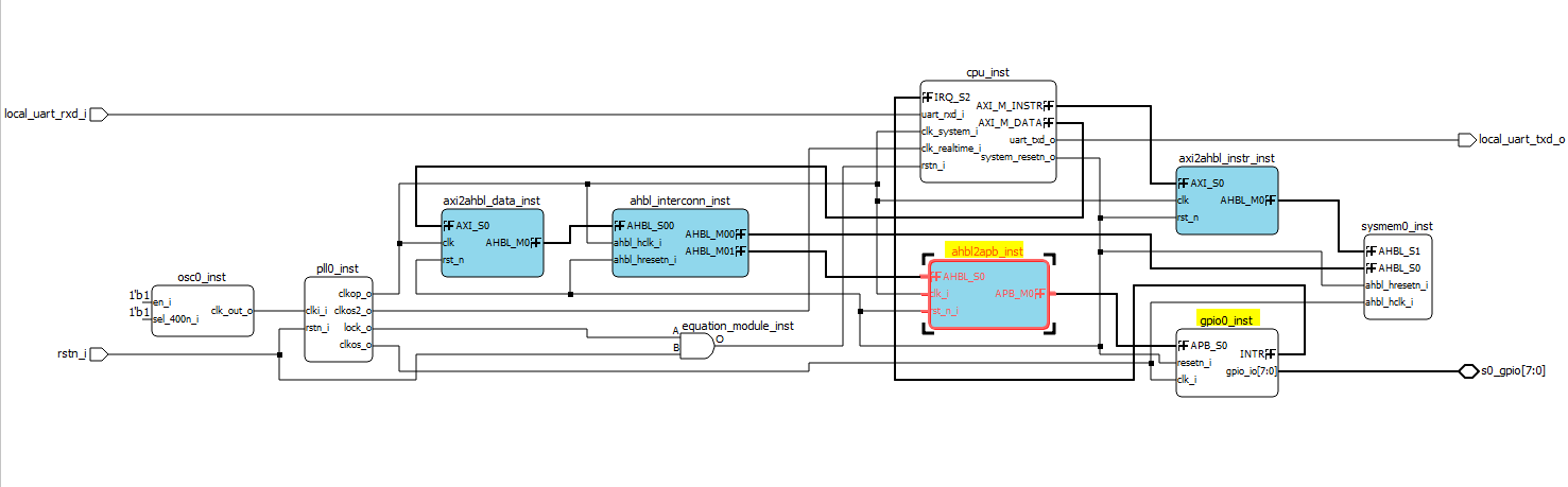
The GPIO with AXI interface on the CPNX FreeRTOS Template design is created initially for the template to test the AXI4 interconnect but it is not part of the available IPs.

When a FreeRTOS template for AVANT devices, the user can see that the template is using the AXI4-to-APB bridge to connect to the GPIO IP. This is the recommendation, i.e. using AXI4 to APB bridge to connect the broad market GPIO IP.

 

There is no plan to develop a GPIO IP with an AXI4 interface. Later versions of Propel Builder already have this internal IP removed from the SoC templates.